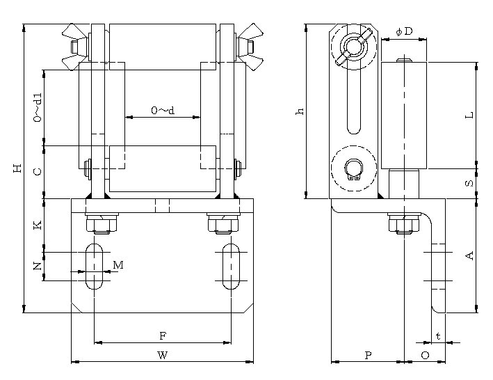
SH・SHL型 ガイドローラー 寸法表

| 型 式 |
d |
D |
L |
A |
W |
F |
E |
K |
M |
N |
S |
C |
d1 |
h |
H |
O |
P |
t |
RAローラー |
Rローラー |
定 価(円) |
| SH25-1 |
25 |
20 |
40 |
50 |
65 |
45 |
10 |
25 |
8.5 |
15 |
12 |
22 |
25 |
67 |
117 |
18 |
22 |
6 |
RA20-40 |
R20-40 |
35,305 |
| SH25-2 |
84 |
65 |
107 |
157 |
RA20-84 |
45,195 |
| SH50-1 |
50 |
30 |
70 |
75 |
120 |
90 |
15 |
35 |
11 |
25 |
20 |
35 |
50 |
115 |
190 |
27 |
33 |
9 |
RA30-70 |
R30-70 |
62,215 |
| SH50-2 |
145 |
125 |
190 |
265 |
RA30-145 |
75,555 |
| SH75-1 |
75 |
35 |
90 |
100 |
150 |
114 |
18 |
45 |
15 |
35 |
25 |
44 |
70 |
157 |
257 |
30 |
45 |
13 |
RA35-90 |
R35-90 |
82,915 |
| SH75-2 |
185 |
160 |
247 |
347 |
RA35-185 |
103,500 |
| 型 式 |
d |
D |
L |
A |
W |
F |
E |
K |
M |
N |
S |
C |
d1 |
h |
H |
O |
P |
t |
RAローラー |
Rローラー |
定 価(円) |
| SHL65-1 |
65 |
20 |
40 |
50 |
110 |
85 |
12.5 |
25 |
8.5 |
15 |
12 |
22 |
25 |
67 |
117 |
18 |
22 |
6 |
RA20-40 |
R20-84 |
41,745 |
| SHL65-2 |
84 |
65 |
107 |
157 |
RA20-84 |
52,095 |
| SHL125-1 |
125 |
30 |
70 |
75 |
195 |
160 |
20 |
35 |
11 |
25 |
20 |
35 |
50 |
115 |
190 |
27 |
33 |
9 |
RA30-70 |
R30-145 |
74,175 |
| SHL125-2 |
145 |
125 |
190 |
265 |
RA30-145 |
87,630 |
| SHL160-1 |
160 |
35 |
90 |
100 |
240 |
200 |
20 |
45 |
15 |
35 |
25 |
44 |
75 |
157 |
257 |
30 |
45 |
13 |
RA35-90 |
R35-185 |
98,095 |
| SHL160-2 |
185 |
160 |
247 |
347 |
RA35-185 |
118,680 |
※型式をクリックすると外観図面が閲覧出来ます。
|